首 页
关于茂海
产品中心
新闻资讯
加入茂海
联系我们
免费热线:400-666-4970 |
机电产品销售服务
Search form
Search
产品列表
>>
工装治具夹具系列
>>
自动输送线
>>
自动装配线
>>
工作台车系列
>>
电池能源专机
>>
UV光固机系列
>>
点胶涂胶设备
>>
性能测试设备
>>
泄露测试设备
>>
特殊烘箱系列
>>
翻转机系列
>>
称重检测设备
>>
螺丝锁附组装设备
>>
工程项目
>>
其他设备资料
产品中心
工程项目
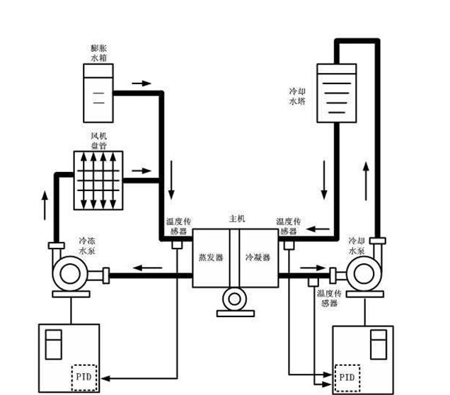
产品名称 :MS-GC管道集成控制案例图
品牌国别:中国
产品类别:工程项目
产品介绍:
[
首页
] [
上一页
] [
返回
] [
下一页
] [
尾页
]
版权所有:苏州茂海机电设备有限公司 | 地址:中国 江苏省 苏州工业园区唯华路5号 |
业务QQ:
电话:0512-66186799,88869608,67901870 传真:0512-67901871 | E-mail:
ZJP@moresea.com
,
chris@moresea.com
|
苏ICP备11001249号